Page 544 - 水土保持手冊_10612
P. 544
3
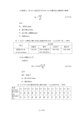
(2) 速度比:每 1m 之揚程每 1m /min 之出水量時每分鐘需要之轉速。
1
2
= (2.27.22)
3
4
其中,
:速度比(rpm)
:揚水量(m /min)
3
N:抽水機之迴轉數(rpm)
H:總揚程(m)
表 工 2-27-3 各種抽水機之速度比範圍(資料來源:「水土保持手冊」,2005)
抽水機
型式
渦輪型 螺型 斜流型 軸流型
速度比Ns (m- 120-250 200-450(軸流) 700-1200 1200-2000
m /sec-rev/min) 450-900(混流)
3
(3) 抽水機動力計算
A. 軸馬力
×
= 0.222 (2.27.23)
其中,
SHP:軸馬力
3
Q:揚水量(m /min)
H:總揚程(m)
表 工 2-27-4 抽水機效率(Np) (資料來源:「水土保持手冊」,2005)
流量 0.1 0.15 0.2 0.3 0.4 0.5 0.6 0.8 1.0 1.5 2.0 3.0 4.0
3
(m /min)
最大效率 34 40 44 49 53 55 57 60 62 65 67 70 71
(%)
最低效率 29 34 37 42 45 47 49 51 53 55 57 59 60
(%)
工-2-230

